Product
Arm Span
  • no limit
  • Within 1.5 meters
  • Within 2 meters
  • Within 2.5 meters
  • Within 3 meters
  • Within 4 meters
Load
  • no limit
  • Within 10kg
  • Within 30kg
  • Within 50kg
  • Within 100kg
  • Within 200kg
  • Within 400kg
Selection tool
Hey, hello
What can I do to help?

Leave us a message

Please leave a message

CRP-RS08-10Z40H
Describe
FUNCTIONAL FEATURES
  • Unique structural design, fast running speed, high transmission accuracy, low noise.

  • Available in 800mm arm length specifications, up to 10kg payload, rated payload of 5kg.

  • The robot body adopts the special cable for flexible robot, which has high life.

  • Equipped with G12 control cabinet, ARM architecture, strong stability, excellent performance.

  • It provides dedicated security interface I/O, supports expansion of three network ports, supports hot swap of the teaching device, and ADAPTS to the upper software on the PC. With gravity compensation, load adaptive, and S-T function; The whole machine has higher precision, less impact and faster beats in typical working conditions.

  • This machine is mainly used in 3C industry, production line sorting and loading, handling, palletizing, soldering, dispensing, pad printing and other light industrial automation integration fields.

ROBOT BODY TECHNICAL PARAMETERS

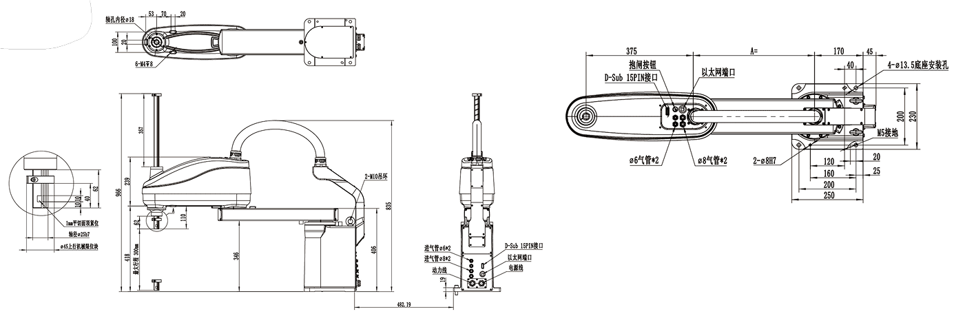
INSTALLATION INTERFACE DIAGRAM

MOTION RANGE DIAGRAM